productcenter
PRODUCTS
Technology has enabled us, and I create value for our customers
Your location:
Home
Product Details Page
The WK515 patch stamp hole module is a highly integrated 2.4GHz Wi Fi module, which uses GD32W515 as the main control chip; Including an ARM Cortex-M33 core processor with Trustzone, with a clock speed of up to 180MHz; It is an optimized SoC designed for smart devices in a wide range of Internet of Things (IoT) applications.
一、Product Overview:
The WK515 patch module is a highly integrated 2.4GHz Wi Fi module that uses the GD32W515 chip; Including an ARM Cortex-M33 core processor with Trustzone, with a clock speed of up to 180MHz; It is an optimized SoC designed for smart devices in a wide range of Internet of Things (IoT) applications.
The Cortex-M33 core processor is a 32-bit processor based on the ARMv8 architecture, with low interrupt latency and low-cost debugging; Supports powerful and scalable instruction sets, including general data processing I/O control tasks, advanced data processing bit field operations, and DSP; The highly integrated feature makes the Cortex-M33 core processor suitable for market products that require high-performance and low-power microcontrollers.
The WK515 patch module is suitable for a wide range of application fields, especially in industrial control, motor drive, user interface, power monitoring and alarm systems, consumer and handheld devices, gaming and GPS, electric bicycles, optical modules, and other fields.
Features:
Arm Cortex-M33 Core
O Frequency up to 180 MHz o 2.4GHz single stream IEEE802.11b/g/n MAC/Baseband/RF RF module
DSP instruction extensions and single precision floating-point operations (FPU)
TrustZone hardware security mechanism
● Memory
Up to 2048KB on-chip Flash
Up to 448KB SRAM
O Supports 32MB external Flash
● RF performance
The maximum transmission power is 21dBm
The sensitivity of signal reception can reach -97.6dBm
O Adjacent Channel Rejection (ACR) value up to 48dB
Iperf throughput can reach 50Mbps, and indoor testing with shielding can reach up to 80Mbps
● High precision analog peripherals
One 12 bit ADC
● Integrated peripheral interface
O 2 SPI
One SQPI
O 1 SDIO
O 2 I2C
3 USARTs
O 1 I2S
One USB 2.0 FS
Wi Fi wireless interface
● On chip resources
Four universal 16 bit timers
Two universal 32-bit timers
One basic timer
One PWM advanced timer
TrustZone Control Unit (TZPCU)
Digital Camera Interface (DCI)
Touch sensitive interface (TSI)
Four wire SPI Flash Interface (QSPI)
High Performance Digital Filter (HPDF)
Specifications and dimensions:


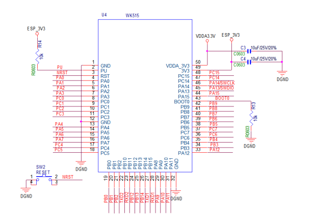
Reference for peripheral circuit design:


Please contact sales for detailed specifications and design references:0755-83290418
Product Center
Solution Center
Demo development board
Beidou Tourist Card
Beidou intercom solution
Beidou/4G Lifeguard Bracelet
G-mouse navigation and positioning module
WiFi/BLE 2-in-1 IoT module solution
sensor
WiFi/BLE wireless connection
GD32 MCU microprocessor
© 2022 Copyright Shenzhen Weierjian Technology Development Co., Ltd 粤ICP备20033837号
Contact Us
tel:0755-83290418
phone:13602688458 (曾先生)